a.
Pengertian
Pengendalian Dua Motor Berurutan
Dalam
suatu mesin industri ataupun mesin perkakas adakalanya harus dipasang motor
induksi 3 fasa lebih dari satu sebagai motor penggeraknya. Sebagai contoh mesin
industri pada pabrik pupuk, mulai dari mesin pemecah batu (crussher), mesin pembawa pecahan batu (conveyor), mesin penghalus batu (milling) hingga mesin pengantongan (packing) harus terdapat interkoneksi, tidak mungkin mesin crussher,
coveyor dan milling dijalankan kalau mesin packing belum siap. Jadi mesin-mesin
tersebut dijalankan satu per satu secara berurutan mulai dari mesin yang
terakhir hingga mesin yang pertama, begitu juga untuk mematikannya harus satu
per satu secara berurutan mulai dari mesin yang pertama hingga mesin yang
terakhir.
Untuk
mesin perkakas sebagai contoh misalnya mesin bubut, untuk mengerjakan
logam-logam keras selain dipasang motor penggerak utama sebagai penggerak benda
kerja, juga harus dipasang motor pompa air pendingin sebagai pendingin benda
kerja yang sedang dibubut. Pada saat start pertama kali dijalankan adalah motor
pompa air pendingin kemudian disusul motor penggerak benda kerja, Jadi motor
penggerak benda kerja tidak mungkin dapat dijalankan jika motor pompa air
pendingin belum bekerja. Begitu juga untuk memberhentikannya karena pekerjaan
membubut telah selesai, yang perlu dimatikan terlebih dahulu adalah motor
penggerak benda kerja kemudian disusul motor pompa air pendingin.
Pemasangan
instalasi kontrol dan pengawatan beberapa motor induksi 3 fasa yang dapat
bekerja dan berhenti secara berurutan semacam ini dapat dilakukan dengan
berbagai macam cara. Dalam modul ini hanya akan dibahas pengendalian dua motor
induksi 3 fasa secara berurutan menggunakan kontaktor.
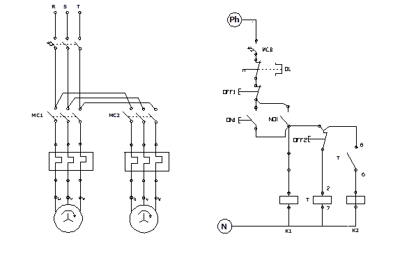
Gambar 1. Rangkaian daya dan rangkaian
kontrol pengendali dua motor berurutan manual
Prinsip kerjanya adalah MCB 1 fasa dan
3 fasa terlebih dahulu dihubungkan dengan sumber tegangan sebagai penyuplai
rangkaian. Saat tombol ON1 ditekan maka arus akan mengalir dari fasa menuju
coil kontaktor MC 1 dan mengaktifkan kontaktor MC 1 sehingga tegangan dari
jala-jala masuk ke motor sehingga menghidupkan motor satu. Saat tombol ON 2
ditekan maka arus akan mengalir dari
fasa menuju coil kontaktor MC 2 dan mengaktifkan kontaktor MC 2 sehingga
tegangan dari jala-jala masuk ke motor sehingga menghidupkan motor kedua. Saat
tombol OFF 2 ditekan maka akan memutus suplai ke kontaktor MC 2 sehingga motor
kedua akan mati. Saat tombol OFF 1 ditekan maka akan memutus suplai tegangan ke
kontaktor MC1 dan MC2 sehingga semua motor akan mati.
b.
Prinsip
Kerja Rangkaian Daya dan Rangkaian Kontrol Pengendalian Dua Motor Berurutan
Otomatis
Berikut merupakan
pengawatan rangkaian daya dan kontrol pengendali dua motor 3 fasa secara berurutan
secara otomatis.
Gambar 2. Rangkaian daya dan rangkaian
kontrol pengendali dua motor berurutan otomatis.
Prinsip kerja rangkaian ini adalah
hamper sama dengan rangkaian manual. Yang membedakan adalah timer yang
berfungsi untuk menggantikan ON 2 sehingga saat ON 1 ditekan maka arus akan
masuk ke kontaktor MC 1 dan masuk ke timer. Saat motor satu hidup begitupun
juga timer akan aktif dan melakukan perhitungan selama waktu yang telah di
setting. Saat timer aktif maka NO timer akan menutup sehingga kontaktor MC2
aktif dan menghidupkan motor kedua.
c.
Rangkuman
1. Pengendalian
motor induksi 3 fasa secara berurutan sering digunakan pada mesin- mesin
industri.
2. Prinsip
kerja rangkaian pengendali dua motor berurutan manual adalah adalah tombol ON 1
digunakan untuk menghidupkan motor satu. Tombol ON 2 digunakan untuk
menghidupkan motor kedua.
3. Prinsip
kerja rangkaian pengendali dua motor berurutan otomatis adalah timer berfungsi
sebagai pengganti ON 2 yang dapat menghidupkan motor kedua secara otomatis.


Terima Kasih
ReplyDeleteSama2
DeleteMakasih ilmunya
ReplyDelete